HCET-T系列 大电流过载(过流)保护器
  • 大电流过载(过流)保护器

 HCET-T系列车用大电流过载(过流)保护器外壳均为耐高温塑壳设计,是具有过温保护和精准控制电流过载保护的大电流保护元件,可以有效的防止 (油泵电机,雨刮电机等) 因温度过高、电流过大而产生的损害。

【型号】:HCET-T

【温度】:60℃-180℃

【特性】:体积小型化、长寿命和高可靠性;可按客户要求,设定过载跳脱电流值,高可达80A

产品简介 / Introduction
产品特点
大电流过载(过流)保护器

1,体积小型化、长寿命和可靠性
2,对过载、堵转、或短路过流都能进行很好的保护
3,可按客户要求,设定过载跳脱电流值,最高可达80A
4,非常精确地跳闸时间(4~10s),防止电机温度过高
5,每款零件均严格执行欧洲ROHS的环保标准
6,端子有多款种类,可供灵活选择

电气规格
1~80amps/15 volts DC 1~60amps/30 volts DC
1~30amps/250 volts AC 1~60amps/125 volts AC
技术参数
动作温度范围 60℃- 180℃,每5℃一个规格,可依客户要求提供其范围内的任一温度
温度公差 ±5℃,±10℃
选择控制过载电流跳脱范围 1~80A
跳脱时间 4~10s
应用范围
油泵电机、翻斗电机、篷布电机
雨刮发动机、滑门发动机、调节器发动机
童车电机、线路板的过流保护等

应用图例

标识说明

标识说明

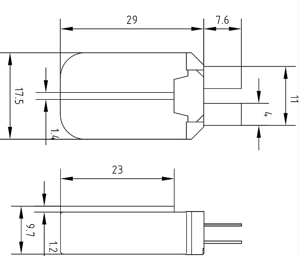
外观尺寸

大电流过载保护器尺寸图

产品保障
  • 01

    精度高

  • 02

    性能稳定

  • 03

    同步性佳

  • 04

    可靠性强

  • 05

    寿命长

  • 06

    无线电干扰小

产品保障

四大优势
来样定制

自主实力研发

海川温控自有专业的研发团队,相继取得数十项“发明专利”和“实用新型专利”,可根据用户产品的需求开展定向设计开发

来样定制

品质精准可靠

原装进口核心部件,采用美国EMS芯片,海川温控产品均通过UI、TUV、CQC、ISO/TS16949、CTI、SGS等国际权威认证,实现精度保护

来样定制

功能规格齐全

海川温控产品规格齐全,可选择“自动复位”“断电复位”“温度和电流双重保护”等多种现有型号,为您有效降低开发成本和时间

批量生产

高效生产交付快

海川温控自建工厂,引进全自动生产流水线、全自动芯片成型机,实现全自动装配,产能更高效,大大缩短生产周期,确保更快速交付

四大优势
  • 自主实力研发

    自主实力研发

    海川温控自有专业的研发团队,相继取得数十项“发明专利”和“实用新型专利”,可根据用户产品的需求开展定向设计开发

  • 品质精准可靠

    品质精准可靠

    原装进口核心部件,采用美国EMS芯片,海川温控产品均通过UI、TUV、CQC、ISO/TS16949、CTI、SGS等国际权威认证,实现精度保护

  • 功能规格齐全

    功能规格齐全

    海川温控产品规格齐全,可选择“自动复位”“断电复位”“温度和电流双重保护”等多种现有型号,为您有效降低开发成本和时间

  • 高效生产交付快

    高效生产交付快

    海川温控自建工厂,引进全自动生产流水线、全自动芯片成型机,实现全自动装配,产能更高效,大大缩短生产周期,确保更快速交付

热品推荐/ Hot product
HCET-T系列 大电流过载(过流)保护器